Email:

Request in messenger:

Phone number and open hours:
+7 (812) 207-52-94
Mon-Sun 7am – 8pm
Call to order:
8 (800) 511-59-77
Selected city:
St. Petersburg
Mitrofanevskoe Highway, 8AB
  • Надежные бренды и подтвержденные стандарты качества:
Call to order: 8 (800) 511-59-77

Three diesel generator sets in parallel for an oil field in Yakutia

Total capacity 75 kW
Client RNG Joint Stock Company
Фото
Task To supply a diesel power complex for the needs of an oil and gas company.
Solution

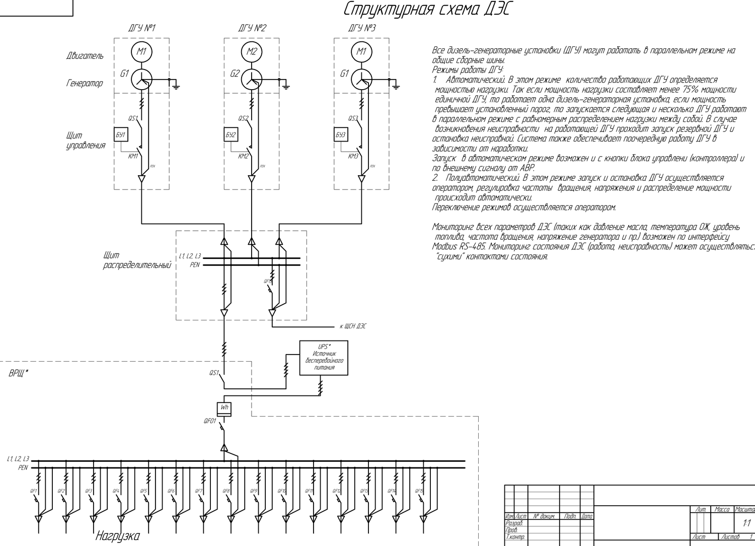
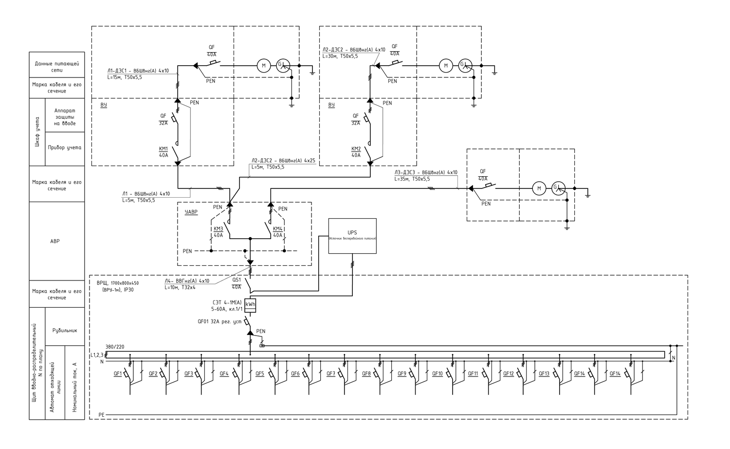
In 2018, Techexpo supplied a diesel power plant with an electric capacity of 75 kW to Yakutia for the needs of the oil and gas company.

Diesel electric units are built on the basis of a modern industrial IVECO F32AM1A 4-stroke engine (Italy) and are equipped with synchronous brushless generators MECC ALTE ECO28-VL/4 (Italy).

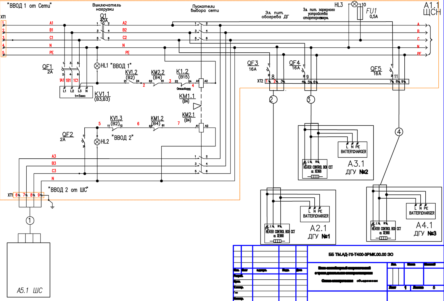
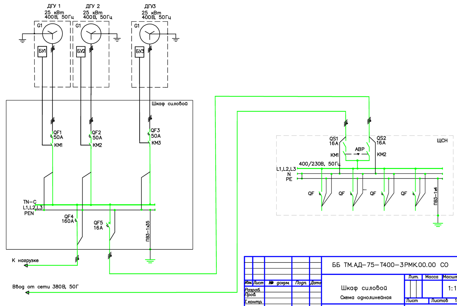
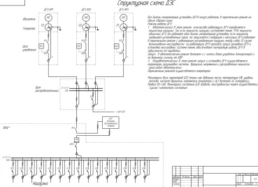
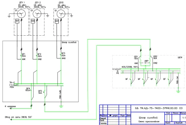
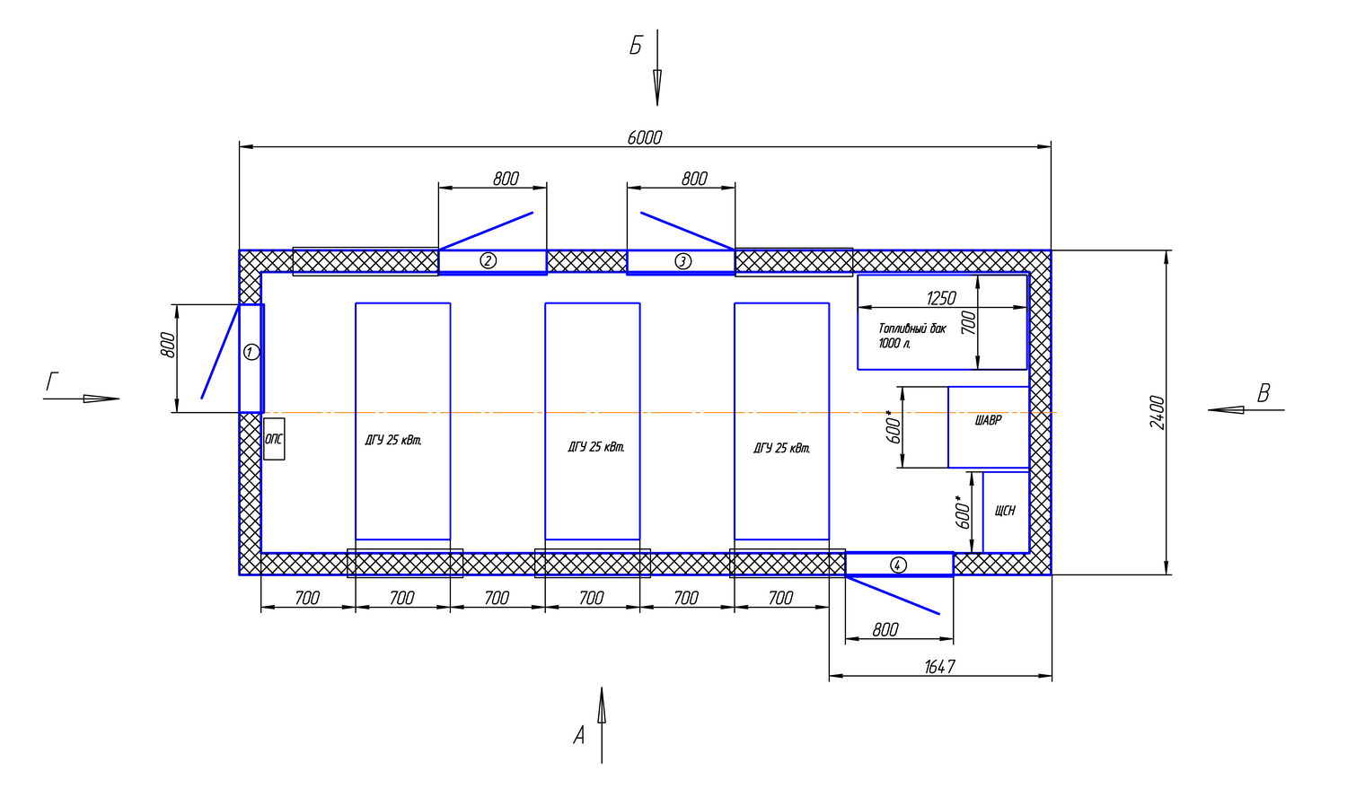
The power supply source is a stand-alone container energy complex, which includes three electric units of 25 kW each with parallel operation function.

The insulated container block is equipped with lighting and ventilation systems, heating, gas vents and a fire alarm and extinguishing system. Additionally, a fuel tank with a capacity of 1,500 liters is installed.

The power supply scheme of the energy complex provides uninterrupted power supply to the electrical installation in normal, emergency and post-emergency modes. In addition, the scheme provides for the possibility of parallel operation of the genset and an uninterruptible power supply (UPS).

Techexpo LLC specialists not only supplied the equipment, but also performed installation supervision and commissioning work directly at the customer's facility. The work included: checking the genset systems, checking the operation of power cabinets with circuit breakers and the correctness of phase alternation, setting up the automatic start of the station and parallel operation of three gensets, load testing, as well as checking the operation of fire and burglar alarms.

Order the budget estimation for a similar project - make a request to

We’ll send an engineer to your site for free pre-project inspection, select equipment, develop the budget.

Next project

Форма заявки