Email:

Request in messenger:

Phone number and open hours:
+7 (812) 207-52-94
Mon-Sun 7am – 8pm
Call to order:
8 (800) 511-59-77
Selected city:
St. Petersburg
Mitrofanevskoe Highway, 8AB
  • Надежные бренды и подтвержденные стандарты качества:
Call to order: 8 (800) 511-59-77

Fire-fighting and water supply pump units for an oil company’s shift camp in the Irkutsk Region

Client Oil company
Фото
Task Providing an oil company’s shift camp with water supply and fire extinguishing systems
Solution

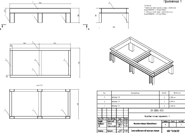
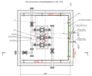
In 2020, Techexpo LLC delivered two package pump units on special certified containers for a shift camp of oil company’s builders in the Irkutsk Region. Our company manufactured a pump station for firefighting for I electric power supply reliability rating consumers (8 pump units) and a water supply unit. We manufactured two all-welded containers measuring 4500х3300х2700 mm and 3000х3000х3000 mm, 2 Fire Resistance Rating with lighting system, supply and exhaust ventilation, heating with electric convectors, fire and security alarm Bolid С2000, fire extinguishers.

Fire extinguishing pump station:

Grundfos CR 64-4-2 A-F-A-E-HQQE fire fighting pumps (1 main/1 standby), rate 82 m3/h, pump head 54 m.

Grundfos MAGNA1 40-100 F circulation pumps (1 main/1 standby), rate 15 m3/h, pump head 5 m. In circulation mode – pump turning-on, in automatic mode - depending on the outdoor temperature.

Grundfos Hydro Solo FS CR 3-13 jockey pumps (1 main/1 standby), rate 3 m3/h, pump head 61 m.

Grundfos Unilift KP 250 A 1 (1 main/1 standby) discharge pumps, rate 5 m3/h, pump head 5 m.

An 80-liter Grundfos membranous tank, an AUMA SA07.6 electric drive and valves and fittings – a Hawle Ru16 flanged double-faced valve and a Tecofi Ru16 bicuspid flanged сheck valve were installed for the fire-fighting station.

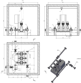
Water supply pump station

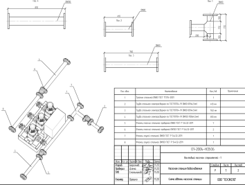
Three pumps Grundfos CR 10-5 A-FJ-A-E-HQQE, rate 20 m3/h, pump head 40 m. A vertical multiple centrifugal pump with suction and ascending pipes located in line, which enables installation in a horizontal one-pipe system. The pump is fitted with a three-phase foot-mounted motor with air cooling. VALTEC Ru16 valves and fittings, a VALTEC Ru16 bicuspid flanged сheck valve.

Techexpo completed every station with:

  • Instruments and meters: ROSMA gauges and a ROSMA pressure and vacuum gauge upstream or downstream of every pump unit, dry running protection system (flow switch) on the suction line of every pump unit, a ROSMA pressure switch on the pump line of every pump unit, a ROSMA pressure sensor on the pressure pipeline downstream of every pump unit.
  • Process automation system: main distribution board (Schneider Electric based ATS), auxiliaries board.
  • Piping parts – discharges, tee-pieces, flanges, and cabling and wiring products within the scope of pump station installation.
  • Spare parts for 2 years: flanged gaskets, automatic circuit breaker.

The pump station has three operation modes – fire fighting, standby, and circulation. A loss of pressure in external networks В2 (according to the jockey pump sensor) and buttons in the pumping house and checkpoint enable the fire fighting mode.

The standby mode maintains the rated pressure. To this end, the installation of a jockey pump and a membranous pressure tank is provided. When the pressure drops, the jockey pump switches on. If the water rate is low and the jockey pump successfully refills the leak, it turns off after a while when the limit of set pressure is reached. If the water rate is major, the pressure keeps dropping even with the running jockey pump. In this case, the main fire extinguishing pump switches on according to a signal of the second pressure switch. The standby unit turns on when the main one fails.

Above-ground ring fire-water mains В2 is laid from the pump station with the installation of fire hydrants with organizing dead ends in the hostel buildings. The ring mains is filled with water, that’s why its circulation is provided in winter to prevent freezing. When the fire-fighting pump station is running in circulation mode, the pump can be turned on both manually and automatically (frequency is set depending on outdoor temperature). Circulation is carried out over one cycle – over the ring fire-fighting network. When fire fighting mode is on, the circulation mode activates automatically.

Drawings:

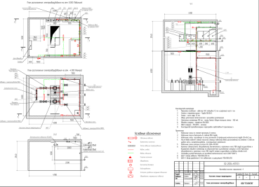
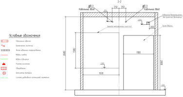
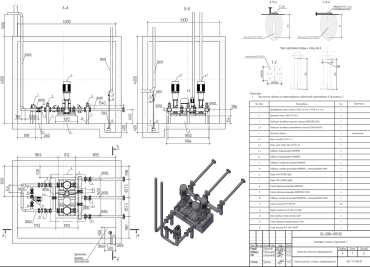
Water supply pump station: List of Detailed Drawings. 01-2004-NSV.02 Water supply pump station layout, 01-2004-NSV.03 Electrical equipment layout, 01-2004-NSV.04 Input distribution device board electrical single-line diagram, 01-2004-v.05 Load schedule, 01-2004-NSV.06 Piping layout, 01-2004-NSV.07 Fire alarm system components layout diagram, 01-2004-NSV.KZ Cable log.

List of Detailed Drawings: 01-2004-NSV Water supply pump station.

01-2004-NSV.С Equipment and materials specification, Annex 1 Pump station stand layout, Annex 2 Pump control board.

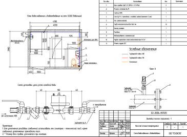
Fire extinguishing pump station: List of Detailed Drawings. 02-2004-NSP.02 Fire extinguishing pump station layout, 02-2004-NSP.03 Electrical equipment layout, 02-2004-NSP.04 Internal ground loop layout, 02-2004-NSP.05 Water supply and water discharge diagram, 02-2004-NSP.06 Power switchboard electrical single-line diagram, 02-2004-NSP.07 Load schedule, 02-2004- NSP.08 Fire alarm system components lay-out diagram, 02-2004- NSP.09 Fire extinguishing pump station piping layout, 02-2004- NSP.10 Power switchboard electrical diagram, 02-2004-NSP.KZ Cable log.

List of Detailed Drawings: 02-2004-NSP Fire extinguishing pump station.

02-2004-NSP.С Equipment and materials specification. Annex 1 Typical pump control board connection diagram, Annex 2 Stand design specification, Annex 3 VALTEC meter technical certificate, Annex 4 Container partition design diagram, Annex 5 Pump control board, Annex 6 Valve-1control board, Annex 7 Valve-2 control board.

Order the budget estimation for a similar project - make a request to

We’ll send an engineer to your site for free pre-project inspection, select equipment, develop the budget.

Next project

Форма заявки